
銅含量檢測是在工業生產和質量控制中非常重要的一項檢測項目,特別是對于銅制品的生產和貿易來說,銅含量的準確檢測是確保產品質量和合規性的關鍵環節。那么銅含量檢測費用是多少?如何委托權威的銅含量檢測機構?本文將為大家詳細介紹,并為大家附上正規銅含量檢測報告圖片。
銅含量檢測費用受多種因素影響,如樣品類型、檢測方法、樣品數量、檢測項目、檢測機構等,銅含量檢測的費用相對較低,但具體的費用還需要根據實際情況來確定。一般來說,如果樣品數量較少,檢測費用可能會相對較低;如果樣品數量較多,檢測總費用會相應增加,但單價可能會有所降低。另外,不同檢測機構檢測實力不同,出具的銅含量檢測報告社會認可度不等,并且各個檢測機構有各自的收費標準,因此不同檢測機構對銅含量檢測報價可能不同。
因此,銅含量檢測費用需要根據實際情況來定。這里建議大家在關注銅含量檢測費用的同時,也應關注檢測機構資歷、檢測實力、行業聲譽及服務優勢等因素,以保證檢測的權威性和可靠性。如老牌國家級檢測單位中鋼國檢,除了檢測實力和服務優勢大家有目共睹外,其收費標準較為公開透明合理,大家可放心選擇中鋼國檢進行檢測。歡迎大家隨時咨詢中鋼國檢,與工程師溝通具體的檢測樣品及檢測項目指標,然后就能獲取詳細報價清單了。
銅含量檢測一般由專業第三方檢測機構進行,如老牌國家級檢測單位中鋼國檢,是質檢總局首批批準成立的第三方公正性技術檢驗機構,1985年經由質量技術監督局批準設立金屬制品質量監督檢驗中心,其在銅含量檢測方面十分權威。中鋼國檢現擁有檢測資質認定授權證書CAL、檢驗機構資質認定證書CMA、實驗室認可證書CNAS、國際實驗室認可合作組織ILAC、橋隧專項、特種設備檢驗檢測資質、安全生產檢測檢驗機構資質等證書。目前已經深耕行業近40年,在行業內享有良好的聲譽,很多單位指定要中鋼國檢出具的檢測報告。
在銅含量檢測方面,中鋼國檢作為一家專業的檢測機構,擁有豐富的經驗和先進的設備。中鋼國檢的銅含量檢測服務涵蓋了各種類型的樣品,包括礦石、礦渣、金屬制品等。中鋼國檢采用國際先進的檢測方法和標準,對樣品中的銅含量進行精確檢測,確保檢測結果的準確性和可靠性。同時,中鋼國檢的實驗室設施齊全,技術力量雄厚,可以根據客戶的需求提供個性化的檢測方案和報告輸出。
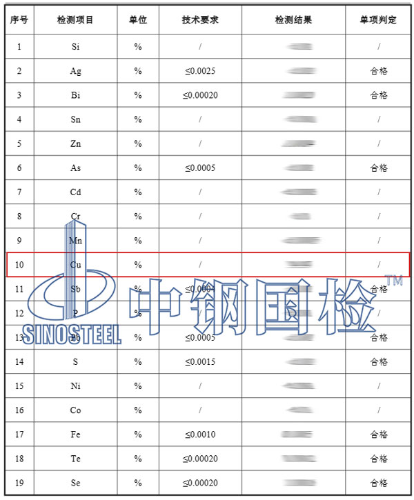
中鋼國檢作為老牌金屬檢測機構,服務行業近40年,其擁有非常豐富的銅含量檢測經驗,下面就是某單位委托中鋼國檢做的銅線檢測,客戶送檢了1根樣品,共委托了19項檢測項目指標,其中就包括銅含量檢測,詳細內容如下:
樣品名稱:銅線
樣品數量:1根
檢測類別:委托檢測
檢測標準依據:GB/T 5121.27-2008《銅及銅合金化學分析方法第27部分:電感耦合等離子體原子發射光譜法》
判定依據:技術要求
檢測項目:1.Si,2.Ag,3.Bi, 4.Sn, 5.Zn,6.As,7.Cd,8.Cr, 9.Te,10.Se,11.Sb,12.P,13.Pb,14.S,15.Ni,16.Co,17.Fe, 18.Mn,19.Cu。
檢測項目結果:
檢測結論:送檢樣品所檢項目中Si、Sn、Zn、Cd、Cr、Mn、Cu、P、Ni、Co只給實測結果不判定,其余檢測項目符合技術要求。
以上就是中鋼國檢根據客戶委托的樣品檢測項目結果,出具的銅含量檢測報告,報告加蓋了相關資質印章,具備法律效力,在中鋼國檢官網和國家質量監督總局均線上可查,全國認可,用途廣泛。
總之,銅含量檢測是工業生產和質量控制中不可或缺的環節。中鋼國檢作為專業的檢測機構,在銅含量檢測方面擁有豐富的經驗和先進的設備,為客戶提供準確、可靠的檢測服務。中鋼國檢檢測服務覆蓋全國,各個地區客戶可就近選擇檢測站和實驗室。同時,中鋼國檢支持郵寄、上門取樣和現場檢測等多個送檢方式,線上委托,檢測方便快捷,一般3-7天即可出具正規檢測報告。若您有銅含量或其他檢測需求,均可隨時咨詢中鋼國檢,與工程師溝通具體的檢測樣品及檢測項目指標,并獲取優惠報價。